一
方案優(you)勢
1.價格低廉+高可靠性
a)可以替代繼電器方案的價格優勢(shi);
b)XD240滿(man)足IP65防護等級,存(cun)儲溫(wen)(wen)度(du)范圍:-40℃~85℃,工(gong)作(zuo)溫(wen)(wen)度(du)范圍:-30℃~55℃。
2.可靜音、節能(neng)、適應更多作業環境(jing)的(de)ECO功(gong)能(neng)
一(yi)臺機(ji)器多個工(gong)作(zuo)(zuo)模式。當用戶(hu)按鍵啟動(dong)ECO模式,XD240將控制刷盤電(dian)機(ji)、吸(xi)水(shui)電(dian)機(ji)工(gong)作(zuo)(zuo)在額定輸(shu)出的80%(廠家/經銷(xiao)商,可以自主設置參(can)數,適應(ying)不同的客戶(hu)需求(qiu)),以進入節能、低噪(zao)音(yin)的工(gong)作(zuo)(zuo)模式。在醫院(yuan)、辦公室等一(yi)些對噪(zao)音(yin)要(yao)求(qiu)高的場(chang)合,或者(zhe)希(xi)望降(jiang)低作(zuo)(zuo)業功率延長(chang)作(zuo)(zuo)業時(shi)間的應(ying)用場(chang)合中。
3.整機運行時間可(ke)統(tong)計記錄
XD240系統可以統計(ji)車輛刷盤、吸水及(ji)整(zheng)車運行時間,方便主機(ji)廠售后維護及(ji)租賃市場應(ying)用,根據真實應(ying)用時間進行維修,可以方便與終端客(ke)戶的溝通和(he)設備質量改進;
4.更合(he)理(li)的(de)控制
a)電(dian)(dian)機(ji)的啟(qi)動和停(ting)止(zhi)是可(ke)以設置時(shi)間順序的,特別(bie)是停(ting)止(zhi),可(ke)以設置刷盤電(dian)(dian)機(ji)關閉(bi)后延(yan)時(shi)5~10秒關閉(bi)吸水(shui)電(dian)(dian)機(ji),以減少地(di)面(mian)遺水(shui),清潔更干凈。
b)ECO功能(neng)下,關機時可自動將吸水(shui)電機的設置功率80%提升至100%,以減少地面遺水(shui),清潔(jie)更干凈。
5. 車(che)輛(liang)整機(ji)使用壽命增(zeng)加,大幅(fu)降低售后(hou)成本(ben)
XD240增(zeng)加了(le)電機(ji)軟(ruan)(ruan)起動(dong)和(he)(he)軟(ruan)(ruan)停止(zhi)的保護(hu)功能,電機(ji)在幾秒內逐(zhu)漸(jian)加速(su)至最高(gao)(gao)轉速(su),啟(qi)動(dong)平穩、柔和(he)(he),有一種(zhong)高(gao)(gao)級感(gan)和(he)(he)穩定性,不抖機(ji),根(gen)除了(le)啟(qi)動(dong)的電流沖擊(ji)和(he)(he)震(zhen)動(dong)沖擊(ji),大幅增(zeng)加了(le)電機(ji)壽命、電池(chi)壽命。
二
可擴展功能
1. 可搭配(pei)定制的通用液晶屏(ping)幕
a) 通用(yong)液晶屏幕,價格(ge)低廉(lian);
b) 通用液晶屏幕可(ke)以顯(xian)示(shi)(shi)更多信息——電量、功能圖標、故障代碼等清晰顯(xian)示(shi)(shi);
c) 通用液晶屏幕與控制器只有4根線連接,線束(shu)減(jian)少可(ke)以在增加可(ke)靠(kao)性(xing)的同(tong)時,提升安裝(zhuang)組(zu)裝(zhuang)效率,方便大批量生(sheng)產;
液晶面板
2. 可定制(zhi)增加語音播報(bao)功(gong)能
得益于控(kong)制器對車輛的(de)全(quan)面控(kong)制,可(ke)語(yu)音播放全(quan)面的(de)設備運行狀態,提(ti)升設備廠(chang)家品牌形象,方便年(nian)齡較大的(de)一部分終(zhong)端客(ke)戶(hu)使(shi)用。
XD240提供物聯(lian)網功能接口及通(tong)信協議,非(fei)常(chang)方便與物聯(lian)網對接。
三(san)
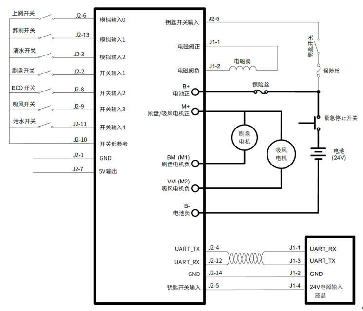
控制(zhi)器安裝尺寸圖及(ji)典型(xing)接線圖
綜(zong)上(shang)XD240+液晶屏(ping)幕的整車(che)控制解(jie)決方案(an),是大能科技為(wei)推動(dong)行業發展(zhan)而定制開發的換代產品。